120機械密封


單端面/非平衡型/固定旋向/符合EN12756(DIN24960)標準
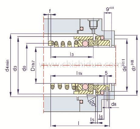
HQ120系列是從HQ3系列演化而來,依靠彈簧尾端鉤釘傳動,結構簡單,安裝方便,但使用應注意旋轉方向,它常用于化工泵,污水泵和潛水泵中。
產品特點
依靠彈簧尾端鉤釘傳動,結構簡單,安裝方便
材料組合
密封端面:碳化硅,碳化鎢,氧化鋁,PTFE
輔助密封:PTFE
金屬構件:不銹鋼
運行參數
規格:18~80mm
壓力: ≤1.0Mpa
溫度:-20~180℃
線速度:≤15m/s
軸向竄動量:±1.0mm
本文源自http://www.xcaocms.com/product/bengyong/129.html,轉載請注明出處。
(責任編輯:機械密封http://www.xcaocms.com)
產品導航
聯系我們
浙江生產基地:浙江嘉善環城東路硅谷開發區(赤盾科技園)
嘉興銷售及技術支持中心:嘉興市環北西路經濟開發區
國內24小時銷售人員電話:15990310020
國內24小時技術支持:13917573091
電子郵件:1050760236@qq.com
jxchishidun@163.com
即時聊天工具:QQ: 1050760236
微信:15990310020
網址:www.xcaocms.com











